
Зумер при открывание двери при не выключенных фарах
#1
Отправлено 04 July 2009 - 11:30
А то давал жене на машине ездить так она аккумулятор убила наф..
#3
Отправлено 04 July 2009 - 18:44
самый простой и удобный способ. обычное реле разрывает цепь. питание подается плюс постоянный, минус с сигналки. или наоборот взависимости что возьмешь с сигналки.
ха а как сама тогда сигналка арбайтент будет?
#4
Отправлено 04 July 2009 - 18:56
схема с 4 контактами настолько проста, что ее даже рисовать западло.
icq 2592001
#5
Отправлено 04 July 2009 - 19:12
#6
Отправлено 05 July 2009 - 04:39
#7
Отправлено 09 July 2009 - 20:39
самый простой и удобный способ. обычное реле разрывает цепь. питание подается плюс постоянный, минус с сигналки. или наоборот взависимости что возьмешь с сигналки.
думаешь релюха вытянет нагрузку? Прост там не хило ампер тянется.. проще в косе уже часть проводов порезать, так фары, магнитолу можно..
При моей манере вождения - глупо беспокоиться об уровне холестерина в крови...

#8
Отправлено 09 July 2009 - 22:10
так что, делай "тилинь-тилинь".
#9
Отправлено 10 July 2009 - 04:45
так что, делай "тилинь-тилинь".
Вот и хочу в выходные поставить повторитель поворода как предлагает Гастелло...
#10
Отправлено 13 July 2009 - 09:04
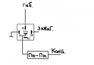
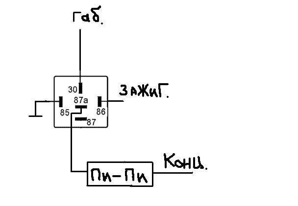
один провод на + габаритов
второй провод на - концевика дверей
В идеале конечно надо делать чуть умнее(потом займусь)
и делать чтоб пищало токо при выключенном зажигании(все думаю как сделать)
#11
Отправлено 13 July 2009 - 17:17
через 5ти контактное реле
icq 2592001
#14
Отправлено 18 August 2009 - 13:44
Сообщение отредактировал Gastello: 18 August 2009 - 14:09
#15
Отправлено 18 August 2009 - 22:07
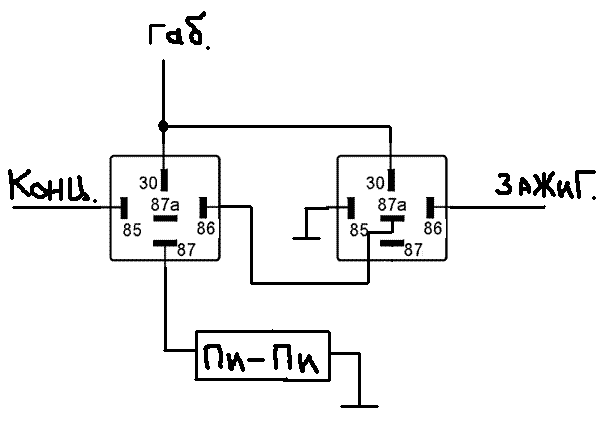
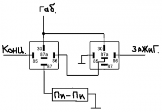
выглядит так:
только вот при закрытых дверях при выключенном зажигании не будет ли плюс через лампу подсветки салона идти через "Пи-Пи" на габариты и давать утечку.
...снова под пиво......
но это можно решить диодом между реле и "Пи-Пи"
Сообщение отредактировал Lex99: 18 August 2009 - 22:08
#16
Отправлено 19 August 2009 - 17:14
выглядит так:
только вот при закрытых дверях при выключенном зажигании не будет ли плюс через лампу подсветки салона идти через "Пи-Пи" на габариты и давать утечку.
...снова под пиво......
но это можно решить диодом между реле и "Пи-Пи"
все понял в схеме но что означает Пи-Пи простите не понял... Диод все равно как ставить?
#17
Отправлено 19 August 2009 - 17:43
#18
Отправлено 19 August 2009 - 17:53
Диод пока можешь не ставить, возможно не понадобится. А "Пи-Пи", это смотри на рисунке

"Пи-Пи" как в евросалоне вряд ли в магазине купишь, если тока для иномарок где нибудь, но можно где нить выковырять, из какого нибудь евросалона.
Сообщение отредактировал Gastello: 19 August 2009 - 17:55
#19
Отправлено 20 August 2009 - 17:17
#20
Отправлено 02 September 2009 - 15:50
Количество пользователей, читающих эту тему: 0
0 пользователей, 0 гостей, 0 скрытых пользователей