Они чугуниево-стальные( вес немалый, да), но очень жесткие и прочные. И стоят от 3700 за штуку. Ну и колодки на них от 300 руб.
Тормозные диски, понятное дело, надо брать 256х20(2112) или подыскать аналоги по-толще на 2 мм( это предпочтительнее)
Остальные сложности установки заключаются в изготовлении план-шайбы.
Гтц(если уже стоит от 2108 или от лукас) должен быть достаточен.

Ну, я заказал эти железки и колодки к ним.
Не понятно. когда приедут. В свете новогодних дел.
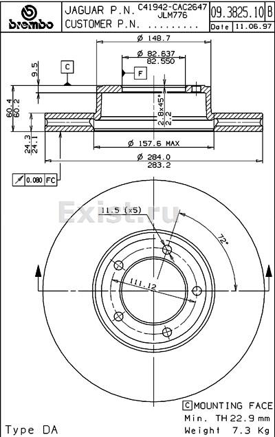
Диски под них не стал заказывать, можно и на мое нонешнее брембо макс 256х20(изначально эти суппорты рассчитаны на 263х22) попытаться поставить, если высоты дисков позволит( она меньше, по сравнению со штатными дисками, суппорт может упереться в колесный диск изнутри). Если нет, то брать родные и пересверливать. Ну и делать другие планшайбы.



















